Vertical hydroponic tower version 1

So after the first attempt, I decided to start a new hydroponics tower.

In this first version, I bought a 100mm diameter evacuation tube in pvc, and I made it as simple as possible (see diagram)

I cut the tube to have an effective 1m50, then I made 2 opposite slits all along the tube, alternating by a quarter. As the illustration below

Positioning of the slots

Each slot was shaped with a thermic gun (be careful of the fumes) with a 33cl bottle to have the diameter of my buckets. We heat and insert the bottle to have the shape below:

Formatted slots

everything is attached to the ceiling of my garage

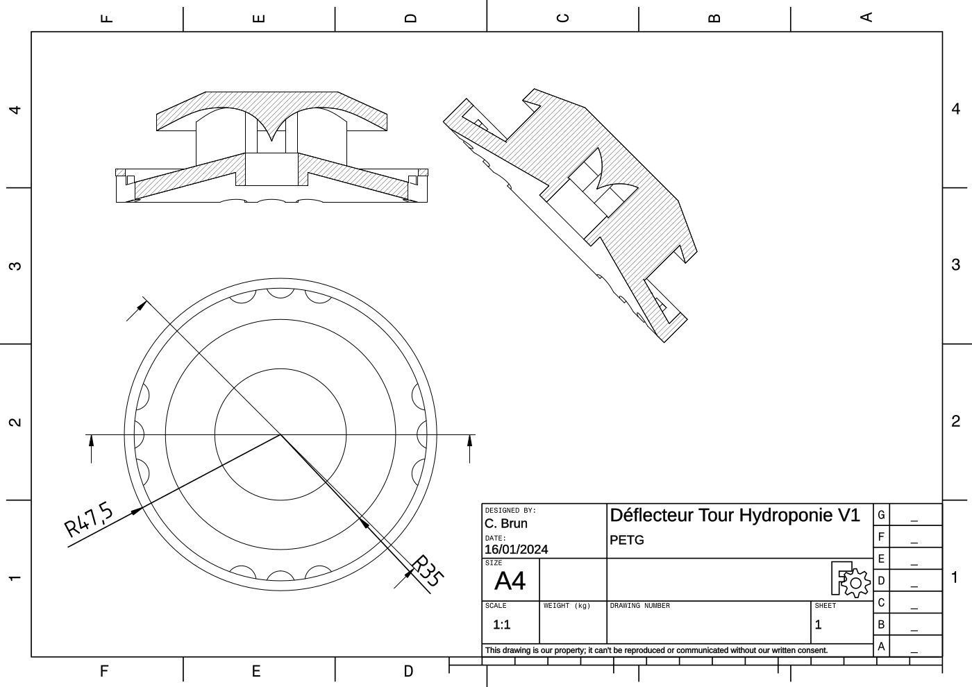
Inside, a 10mm diameter tube is connected at the bottom to an aquarium pump and above to a 3D part which allows the water to be redirected to the walls of the external tube.

3D piece on top to redirect water

View below

Deflector plan

At each hole, a bucket with a substrate and a seed.

Unfortunately, the system is not efficient.

Benefits:

  • space saving compared to the previous version

Disadvantages:

  • the attachment to the ceiling and the pump to the floor, not interesting when moving
  • Leaks at the corners of the slots and therefore part of the water passes through the outside
  • the deflector redirects very well, but too much flow on the walls of the external tube therefore greater leaks
comments powered by Disqus

Translations: